Boss / Roland SP - Other (202/303/404/505/ETC) - Active Users Group

image

That’s all that the service manual shows for pots. Looking at this, I guess they are both listed as linear taper in the service manual (10K B / 50K B) since they are both listed as B. The part I removed was labeled as B and the part I installed was labeled as A so don’t know what to tell you there, it does fit and work though.

More info and circuit diagrams

It’s possible that Roland changed the part up at some point and as a casual observation, the more recent purchase even missing the battery door, is slightly heavier than my original unit so something which is outside of the tolerance margins (meaning a deliberate change) might have been made in materials at one point. That doesn’t mean the circuit changed but maybe something in manufacturing did.

Disassembly is simple, the flat ribbon cables are inserted without a crimp so just pinch with your fingers and carefully pull them out of the receiver one at a time before you separate the 2 boards.

The mic is still connected on the opposing PCB by a jumper wire which is soldered on both ends so if you don’t intend to desolder and reattach that wire later then be careful not to put too much strain on it because it is relatively short.

I think it’s 9 tabs that hold the RF shield in place and once the solder melts they seemed to release pretty easily. I just applied a little bit of flux to them before I started and when the solder melted and the tab released, I used a tweezer in my opposing hand to quickly hold the tab suspended while the solder blob rehardened then just dropped it back down and moved on to the next one.

The one that I circled and labeled is a shared ground area with the volume pot body which has a large-ish solder pad in between the pot’s grounding tabs which the shield’s copper tab also grounds to, so this is the only one I’d be cautious when releasing. The other circle is just to indicate that these are the tabs that you’re looking to release.






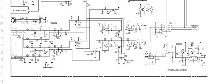
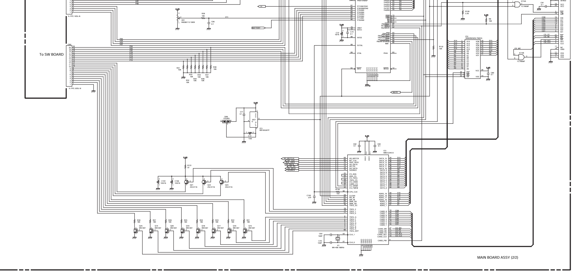
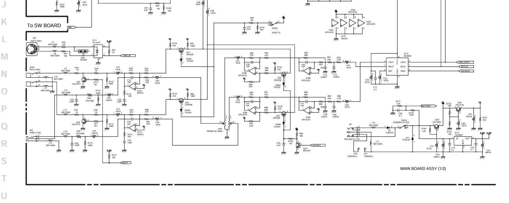
You can see what’s going on there and overlap the circuit diagram at the place where it says “to SW board”, I just made it larger spread over 2 images so that it’s readable rather than just one image.

You shouldn’t need all this though, it’s pretty straightforward but better to have it than not.

3 Likes

:pray: Thanks pal

1 Like

I have a feeling that this is the control pot.

https://www.mouser.co.uk/ProductDetail/Alps-Alpine/RK09K1130AH1

The code does seem to correlate to Alps, this is the RK09K1130AH1, I’d want to do a bit more checking but it’s at least within this range, could be easily narrowed down I think based on other measurements etc.

Edit: I feel like process of elimination confirms the above pot, assuming I understand how to use this table correctly :no_mouth: Need to double check the shaft length, as it could feasibly be 20mm.

Edit 2: I’m going to open it up to triple check but actually I’m pretty sure it is indeed 20mm - so the correct part number would be RK09K1130AAU

1 Like

I measured 23mm from the body to the tip of the shaft, or 18mm from the top of the bushing to the tip of shaft.

I doubt these measurements on the chart are approximations so more likely that the pot shaft is similar but not identical. I could also be measuring incorrectly, but at a minimum the measurement between the old pot and new pot that I installed (in regard to shaft length) is identical so if my measurement is from the wrong place, it’s from the wrong place on both.

In order to obtain a measurement of 20 I would need to start measuring mid-bushing and if they were talking about the raw component in an exploded diagram of the pot, then I assume it would show closer to the 23 that I measured from the pot body to tip vs measuring the shaft from the middle of the bushing, so since from the top of the bushing I get 18mm and it’s definitely under 20, I can only conclude that as I said above, it’s similar but not identical.

It’s also likely that the pot is made by Alps and also that the footprint is the same as what you’re looking at here. Given that there is no interval shown between 15 and 20 then maybe the shaft length is Roland specific, but at the same time I guess the worst that happens is the pot hats have an extra 2mm rise and at best it’s the same and I just can’t measure properly.

Whether 2mm feels like a lot in practice is really up to you, but on a strictly linear basis it’s not a tremendous amount and money is tight all around so if you can save half the order cost by purchasing from mouser then that sounds good to me. The link you gave comes up dead for me though so I couldn’t see specifically what you were looking at but if you need a footprint I’ll try and measure that.

That’s weird the link worked an hour ago :upside_down_face: Edit: Ah the was a query that got stripped: link

Looking at the datasheet it’s actually not intuitive at all, seems the shaft length is measured from the base of the unit itself. It’s ‘LM1’ on this diagram.

So I’m guessing 25mm?

I would suspect greater than 25MM given that (I think) the pot body is more than 2mm thick and I measured 23mm from the top of the pot body where the bushing originates.

I’ll need to go back and remeasure with the new information to be precise though.

This is exactly why I paid an extra couple of dollars for peace of mind though :grimacing:

1 Like

Don’ trouble yourself too much I can have a check when I open up my unit - as you say there could even be a slight variance in batches etc. The 30mm with a flat shaft only seems to come in 300deg of rotation which I’m fairly sure these pots are not (easy to measure at least) - it would have a collar though which would be another identifier.

Always a chance that the Roland part is no longer available - as this is clearly the right part based on the code but nothing to say they didn’t retire a variant at some point!

1 Like

I can see it being a pain in the ass to get an accurate measurement without uninstalling the pots first and as mine are already uninstalled and yours are still functional it is far less trouble for me to measure what is in hand than it is for you to decommission your unit. Trust me, if I were put out by helping you, you would know it. I just don’t have it in front of me right now, but I’ll get back to you about it in a bit.

I wish someone had access to the pots before I bought these, but I took one for the team and I accepted that before I clicked buy it now.

2 Likes

We are basically archeologists

3 Likes

I’d also mention that my relatively loose (compared to fresh pots) FX potentiometer on my first unit has been working for several years and I am not rough with it, but I do use the FX heavily as part of my 202 workflow so depending on how loose yours is, if it’s functional it may not warrant replacement yet.

I had my RF shield already uninstalled and the volume pot completely changed out before I decided to do the FX pot and I kept my old one as a backup since it still works. I changed it so the pots would feel similar on the new unit and because it was already like 70% done by having it accessible so I finished the job. Had the volume been functional, I would have rolled with the slightly wobbly FX pot on the new unit until it crapped out on me.

In my situation, turning the volume pot had absolutely no impact on the volume and I suspect that the conductive carbon on the inside must have completely worn down or that the wiper may have physically broken. I didn’t even get static when turning and there was nothing outwardly that told me it was bad even when it was right in front of me, so if you can live with your FX pot the way it is now then I think your machine will be ok.

If you decide to change the pots, then I would definitely do both at once though. What pushed me from “maybe I’ll do both” to “I’m doing both” was feeling how tight and firm the new volume felt and how loose the FX felt by comparison to the new pot. Made me want to change the ones on my original unit too but luckily I’m not that ambitious right now.

2 Likes

Yea this is definitely a consideration - it’s not a big job but it is arguably unnecessary :joy:

And yea that’s how my DR-202 pots feel, very stiff - it’s a cared for unit I suspect it’s had some work done.

1 Like

Alright, despite the perspective of the photo, the plastic base of the pot is perfectly aligned with the first line on the ruler and I would have to call it 28mm.

It feels vaguely over that but not by much and either way, 28 or 28.5 is nonstandard to the list which you’re referencing so I’d say it’s either a different series or more likely that this is manufactured to Roland’s proprietary length.

You can also see that Alps is stamped on the metal which makes me wonder just how bad my eyesight has become that I didn’t see that previously.

I have to think that since my new pots were this exact same length that they probably did come from Roland, but I don’t know what to say about the values or part numbers. My new volume pot value and/or type may be incorrect, or the service manual may be out of date.

2 Likes

Thanks for checking pal.

I think that your guess is right, that these are a non-standard variant within that series produced for roland to spec (or a variant that has been discontinued).

I strongly suspect that the 25mm will work fine though - the knobs slide down far enough that I don’t see them being too short - and the rest of the spec seemingly aligns with the details posted up-thread. I think it’s a fairly minimal risk replacement, but I may simply not bother for now as it’s a totally non-essential ‘repair’.

2 Likes

It may also be possible to buy the 30 and remove 2mm of material which could potentially be preferable to losing 3mm of shaft length. It’s kinda hard to predict when not in situ, but the rise out of the holes on the face panel doesn’t seem very tall to me. 3mm isn’t much, but it might be enough to cause the pot hats to periodically loosen themselves and come free under use. No harm, but maybe frustrating. I might even opt for 2mm higher and leave it at that, but adding a black felt washer in between the face and the base of the pot hat to make up the difference in rise as that should give stable operation despite the extra 2mm. Might look vaguely too tall but we’re talking about by a small amount that most people wouldn’t notice, it’s just whether or not you are the type of person who fixates on small things like that which I know myself to be and try to avoid them whenever possible only to avoid constantly noticing.

Actually, I don’t know that the shaft isn’t hollow so I might live with one of the 2 lengths. In theory modifying it sounds ok, but in reality, it’s probably a hollow tube and not a solid rod so you might end up with a hole in the middle and I guess that I’d avoid that.

MAN, a lot of talk going on here that sounds very inappropriate if you aren’t talking about potentiometers. I guess I’m not mature enough to discuss pots for very long at a stretch.

What I would say about the 25mm is that the pot hat will almost certainly rub against the face while you’re turning it and you won’t have much room to play with the height without it approaching the other situation where it loosens and pulls out.

2 Likes

nicely done

2 Likes

Thanks chief :slight_smile:

1 Like

I’d go for the 30mm and shave off 2mm, but it has a larger degree of rotation and a collar - so might not feel right and the collar might impact the fit more than the shorter shaft.

I could probably test-drive the feel of the pot with a spare I have lying around to see if a 3mm loss is workable, but you could be right that it ends up having issues when in use.

2 Likes

Look at what I amended above though:

I had this thought after the fact, but I suspect it might be accurate.

2 Likes

Also fairly trivial to extend a shaft by 3mm with some glue and scrap… stuff … if it was absolutely crucial.

One day I might just go for it - if that day comes I will document my success/failure

2 Likes

Meanwhile I will try not to think too hard about whether or not this volume pot behaves differently than the one on my other machine because at least it behaves at all, and I’m not particularly inclined to immediately deal with it again.

If it’s 10K and should be 50k, that would mostly impact how fast it gets loud rather than more audible issues, but we’ll see.

If you need a measurement on the legs let me know. I didn’t do it yet but I could make that happen if you need additional confirmation. I suspect that what you found is effectively the same general part manufactured to generic specs.

2 Likes