My Jen SX1000 is acting rather weird, I need some help troubleshooting… ^^
Once powered I can only play notes higher than the previous one. As soon as I play a note lower than the one before, the oscillator drops out and I can only continue playing the two envelopes as well as the noise. Maybe someone on here is fluent with this synth or can sufficiently narrow down the problem by the enclosed schematics?
Jen SX1000 Schematic.pdf (509.3 KB)
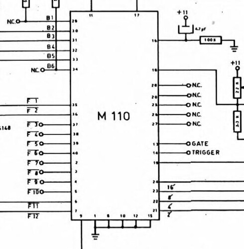
Are you handy with a meter/scope? I’d start by checking the supply rails for the M110 and key scanning against the schematics. The M110 can do high or low note priority (I think) via pins 12 and 15. These are shown as grounded on the schematic so I’d make sure they are properly grounded as the ‘higher notes only’ could well be related to that and hopefully not an issue inside the M110.
I’ve attached a link to the data sheet for the M110 and it covers some basic details of operation, if a little cryptic. I do hope you’ve not got a dead M110 as they’re not easy to come by these days and as it’s basically a synth on a chip if it is dead there’s not much hope for the Jen.
Thanks for your reply! Very keen of you to chine in once again ^^ (The elka wilgamat is still safely stored away, waiting to be worked on again ^^)
Yes I am also deeply hoping that the M110 is still alive though there is a teensy replacement for the m110 in the case of the Jen (https://www.untergeek.de/de/tag/jen-sx-1000/)
Nevertheless, I followed your instructions! First I perform a Volt-test right after start-up, no key pressed, taking Pin1 as GND according to this schematic taken from the Jen service manual
DC to Wave Gen Board:
Pin 1 - 19: 3,41V
Pin 12&15
Pin 1 - 12: 6.82V
Pin 1 - 15: 6.87V
Once a single note (leaving the synth functioning) is pressed all three values above stay the same.
If now a single lower note is pressed I get the following measurements:
Pin1 - 19: 6.81V
Pin1 - 12: 6.82V
Pin1 - 15: 0.08V
So I guess upon a first take you stumbled on something there ^^
Would this lead me to carefully take out the m110 and reflow the socket it sits in?
No problem. First I’d identify a ‘good’ 0v in the power supply rather than relying on pin 1 (I’ll come to that in a mo) and make sure you’ve got the requisite voltages (+18v, +12v, +5v and -12v). Then you’ll know you’ve got a reference point. With power off test continuity from pin 1 to 0v and that will prove pin 1 is deffo at 0v. That section of the circuit could be ‘floating’ if it’s lost it’s 0v rail. It’s not unusual for a rail to go funky which will manifest itself in all sorts of strange ways throughout the synth.
Looking at the schematic pins 1,8,10,12 & 15 should all be at 0v all of the time. There’s no pull down resistor between those pins and Ov so those pin should always be at the same potential no matter what the chip is doing. If you’re measuring different voltages between any of those pins and a known 0v then either there’s a break in a trace, pad lifted or muck in the IC socket. Maybe just reseating it will do the trick?
So, I’ve been now using a ground from the power supply and I’ve proven that pin 1 is at 0v, I checked for +/-12v as well as 5v at the power supply and was able to trace them down. 18v however is not to be found on the header and I wasnt able to track it down.
The m110 went out once again (the second time), I reflowed the IC socked and put the m110 back in. Sadly this did not resolve the issue… Any advice in how to efficiently scan for breaks in traces or lifted pads?
@Bunker I’ve also found that this diode (lower right) on the psu board looks somewhat suspicious…
Might check this one for continunity?
Yeah, deffo worth checking any suspect looking components. That at a guess is one of the bridge rectifier diodes and the node of two of those and the polarised cap is where the +18v should be present. You’d have to check the rest of the schematic to see if that unregulated rail is used but if it’s not my guess is it’s mentioned on the schematic for reference purposes.
Re traces etc. Your best bet is with your meter on continuity test and probe between points on the board using the schematic as reference. That should prove the paths between different points as small cracks and bad joints aren’t always visible with the naked eye
Did you check those common pins on the IC are all at 0v? I know you said there were voltage on those pins in relation to pin 1… again, on continuity check between each of those pins. If the schematic is correct they are all common so you should get continuity between each of the, and your 0v reference point. If continuity is good I can’t see how you’d get a voltage on any of those pins unless your reference 0v isn’t 0v all of the time if that makes sense?
I think you are right, took my time and rechecked the 0V and noticed i might’ve had the multimeter at a too high setting.
But first regarding the continuity:
0V (red) -> Pin1 (black): 825mV
To Pin5: 840mV
To Pin10: 1808mV
To Pin12: 1792mV
To Pin15: 1312mV
0V (black) -> Pin1, 5, 10, 12, 15 (red): OL
Running the DCV test with higher resolution i can see that Pin1 is carrying 0.03V. Pressing a key rises it temporarly up to 9V.
And as for the continuity check between the pins my multimeter reads a ‘1’ which implies an open loop i guess?
It sounds like you’ve not got a good ground/0v at the IC or your reference 0v isn’t actually at ground? The schematic shows that collection of pins are grounded so if you’ve got a open circuit between your 0v reference and any of those pins they won’t be grounded. That would explain why you’re seeing voltages on those pins with reference to Ov…you shouldn’t see any voltage on them as they’re tied to ground
I’d check from the PSU carefully all the way to the IC. If they’re on different boards then check the connections and cables. You should get a good steer on the ground rail by looking at its traces on the back of the PCB, that should point to the the ultimate connection from the PCB to ground.
For reference 0V I am using one of the two grounding screws that are around the PSU, so I am positiv that these should be at 0V.
I will try to track and trace the 0V across the boards/connectors and see where I’ll end up.
So last night after reassembling the Jen the last time, I noticed that Glide interferes with the way I can play notes.
Hence today, after some consulting, I took out the 351 in the glide circuit with the result that I can play as many notes in any direction with the output beeing all the same note.
So far I wasnt able to pin down whats wrong. I replaced the 351 with a 071 changed the cap and pot related to it (glide circuitry).
Yet the issue remains.
Still hoping that m110 is not dead but i have bad feelings somehow
Yeah it doesn’t sound glide related. If you’ve proved you’ve got a good ground in all the right places you shouldn’t get any voltage on those pins. Even with a dead M110 those pins should be 0v and there shouldn’t be any voltage on them.
As with all fault finding you have to adopt a logical approach, process of elimination being your best friend. It can take time but with practice it gets quicker. You just have to follow that process and not be tempted to look elsewhere unless you’ve got some indication there’s an issue there otherwise you’ll just end up chasing your tail.
yes, will redirect myself to the 0V once again today…
The fact that without the 071 in place allowed me to play notes higher and lower got me hoping that the issue was with this chip… there is some coverage online stating that this one is known to fail in the jen
I hear you and if it’s a known fault it’s always a good idea to discount it if you can. Part of the fault finding process is trying to work out cause and effect. The erratic glide behaviour could be the issue but as you’ve potentially shown it’s likely an effect if the original fault. Keep plugging away and working through the circuit in chunks as best you can, making notes if need be to halo you along
Can you disconnect the power supply from the main board? If so it’d be tempted to do that and test the output voltages from the PSU whilst disconnected. That way you prove the PSU is doing its job. You could have a rail being pulled up or down by a faulty component on the board and while the PSU is connected it’s going to throw the voltages out when you measure them. If they are all okay then reconnect and check again. You maybe see a slight change once there’s some load on the PSU but it’s shouldnt be drastically different.

